В аграрном секторе для уборки и обработки зерна, его хранения применяется много новой техники: зерноочистительные машины, зерносушилки, нории зерновые, метатели зерна. Оборудование всегда требует технического осмотра и периодического переоснащения.
Но, поскольку, хозяйственники не очень разбираются в модерновых моделях, приходится доверять менеджеру, который занимается их реализацией. Это доверие не всегда оправдано.
Заказывая оборудование и запасные варианты деталей на сайте компании «Агромаш», вы получаете гарантию длительного сотрудничества без проблем.
Какие запасные части для зернометателя можно купить
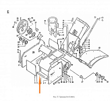
Основные узлы и механизмы метателя – это ходовая и поворотная рама, триммер, транспортер механизм подъема и самопередвижения; электропривод. Хотя загрузка и выгрузка зерна всех машин оптимизирована.:
Например, ЗМ-60 может осуществлять беспрерывную работу – метать зерно на расстояние 25 метров и складировать его на высоту 8 метров, но запчасти для длительной его эксплуатации всегда нужны.:
В первую очередь необходимо купить запасные части зернопогрузчика те, которые при проверке имеют видимые повреждения. Часто выходит из строя шкив на зерномет, ленты, поскольку на них оказывается наибольшая нагрузка.:
На сайте реализуются запасные части зернометателя по доступной цене. Можно заказать шайбы, звездочки, пружины, муфты, ремень бесканечный, гайки, ремень ребристый, диски, а также приобрести протравители семян.:
Все наименования запасных частей зернопогрузчика в в Самаре имеют хорошие эргономические характеристики. Их просто поменять и установить. Для проведения ремонта можно оформить заявку. При ежемесячном осмотре техники они прослужат долго.:
Для этого необходимо проводить такие мероприятия:
- Очищать агрегат от остатков зерна, пыли.
- Подтягивать болтовые соединения и регулировать натяжение ремней.
- После завершения сезонных работ не оставлять надолго механизм на открытой площадке.
Эти меры профилактики обеспечат долгую бесперебойную работу запасных частей зернопогрузчика и низкие цены на аренду спецтехники.
Скачать каталог запчастей
