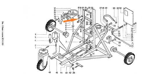
В компании "Агромаш" в Воронеже в наличии широкий спектр запасных частей и расходных материалов для самопередвижных зернометателей ЗПС-100 и ЗМ-60 . На складе "Агромаш" Болт натяжной ЗП 01.370. Приобретая у нас запчасти для зернометательной техники, вы получаете качественные запчасти, максимально короткие сроки доставки, профессиональные консультации специалистов по подбору запасных частей. Доступные цены. Доставка в регионы.
Чтобы сделать заказ, используйте стандартную форму заявки внизу страницы, отправьте письмо на электронную почту agromash36@yandex.ru
Чтобы сделать заказ, используйте стандартную форму заявки внизу страницы, отправьте письмо на электронную почту agromash36@yandex.ru
