Интернет-магазин

Сельскохозяйственная техника
запасные части и оборудование
agromash36@yandex.ru
Авито магазин

0
Самара
Воронеж
Самара
Уфа
Ростов-на-Дону
+7 (846) 24-99-111
+7 (937) 990-90-48
+7 (846) 97-97-924Факс
+7 (937) 990-90-48Факс
Заказать звонок
Каталог оборудования
  • Зерноочистительное оборудование
    Зерноочистительное оборудование
  • Аэраторы зерна
    Аэраторы зерна
  • Зернометательная техника
    Зернометательная техника
  • Техника для защиты семян / Протравливатели
    Техника для защиты семян / Протравливатели
  • Транспортеры и зернопровода
    Транспортеры и зернопровода
  • Передвижной загрузчик биг-бэгов ПЗ-100
    Передвижной загрузчик биг-бэгов ПЗ-100
  • Загрузчик ЗСН-25
    Загрузчик ЗСН-25
  • Решета и сита
    Решета и сита
  • Запчасти для сельхозтехники
    Запчасти для сельхозтехники
  • Нории зерновые
    Нории зерновые
  • Металлоконструкции ЗАВ
    Металлоконструкции ЗАВ
  • Грануляторы для комбикорма
    Грануляторы для комбикорма
  • Ковши норийные
    Ковши норийные
  • Ленты Нории
    Ленты Нории
Компания Агромаш
  • О компании
  • Отзывы
  • Реквизиты
  • Гарантии
  • Новости
  • Статьи
Доставка
Документация
Контакты
    Интернет-магазин
    Меню  
    • Каталог оборудования
      • Зерноочистительное оборудование
        • Машины предварительной очистки зерна
        • Первичная очистка семян
        • Вторичная очистка семян
      • Аэраторы зерна
      • Зернометательная техника
        • Зернометатель 100т/ч с редуктором
        • Зернометатель 100т/ч с мотор-редуктором
        • Зернометатель 150т/ч с редуктором
        • Зернометатель 150т/ч с мотор-редуктором
        • Зернометатель 200т/ч с мотор-редуктором
        • Ковшово Шнековый Погрузчик Р6-КШП-6
      • Техника для защиты семян / Протравливатели
      • Транспортеры и зернопровода
        • Транспортер зерна шнековый
        • Транспортер скребковый
        • Самотечное оборудование
          • Зернопровод самотечный
          • Зернопровод самотечный с футеровкой из полиуретана
          • Сектор зернопровода
          • Перекидной клапан
          • Переходные патрубки
          • Задвижка реечная
          • Ввод
          • Циклоны (центробежные пылеотделители)
        • Гаситель скорости потока зерна
        • Загрузчики (зернопогрузочное оборудование)
        • Конвейерные ролики
      • Передвижной загрузчик биг-бэгов ПЗ-100
      • Загрузчик ЗСН-25
      • Решета и сита
        • Решета БИС-100
        • Решета БЛС-150
        • Решета БЦС-50
        • Решета ЗВС-20
        • Решета ОВС-25/СМ-4
        • Решета Петкус К527\547
        • Решета Петкус К531
      • Запчасти для сельхозтехники
        • Запасные части ОВС-25
        • Запасные части ЗВС-20
        • Запасные части на Зернометатели
          • Запасные части к зернометателям ЗПС-100 и ЗМ-60
          • Запасные части на зернопогрузчик ПЗС-80, ПЗС-100, ПЗС-150
          • Запасные части МЗС-90
          • Запасные части ПЗМ-80
          • Запасные части на Зернометатель А-100, А-150, А-200
        • Запасные части МПО-50, МПО-100, СПО-100, Alfa
        • Запасные части на Зерновые нории
          • Запасные части на Норию НПЗ-10
          • Запасные части на Норию НПЗ-20
          • Запасные части на Норию НПЗ-50
          • Запасные части на Норию НПЗ-100
          • Конвейерные ленты БКНЛ-65
        • Запасные части на МС-4,5
        • Запасные части для БИС-100 и БЛС-150
        • Запасные части на Петкус
          • Запасные части на Петкус К527/547
          • Запасные части на Петкус К531/218
        • Запасные части БЦС-50
        • Запасные части на дробилку КДУ-2
        • Запасные части на ЗСК-70\МЗК-70
        • Запасные части на МВР-6
        • Запасные части на МЗС-25
        • Запасные части на Сепаратор МУЗ-16
        • Запчасти для погрузчика зерна ПЗН-250
        • Запасные части для протравителя ПС-10
        • Норийные болты
        • Запасные части для протравителя ПС-20
          • Запасные части на протравитель ПС-20 Маэстро Татагрохимсервис
          • Запасные части на протравитель ПС-20КП Ремком
          • Протравитель семян ПС-20К-4 Агристо
        • Запасные части на Протравливатель семян ПСК-15
        • Запасные части на КШП-6
        • Запасные части на СВУ-60
      • Нории зерновые
        • Зерновая Нория 25 т/ч
          • Окрашенная
          • Оцинкованная
        • Зерновая Нория 50т/ч
          • Окрашенная
          • Оцинкованная
        • Зерновая Нория 100т/ч
          • Окрашенная
          • Оцинкованная
        • Зерновая Нория 175т/ч
          • Окрашенная
          • Оцинкованная
      • Металлоконструкции ЗАВ
        • ЗАВ с МПО-100, ВРМ-70
        • ЗАВ с ВРМ-70
        • ЗАВ с МПО, ВРМ-70 и Т-12
        • ЗАВ с МПО, ЗВС-20М и Т-12
      • Грануляторы для комбикорма
      • Ковши норийные
        • Металлические ковши УКЗ
        • Полимерные ковши
      • Ленты Нории
    • Компания Агромаш
      • О компании
      • Отзывы
      • Реквизиты
      • Гарантии
        • О компании
        • Отзывы
        • Реквизиты
        • Гарантии
      • Новости
      • Статьи
    • Доставка
    • Документация
    • Контакты
    0
    Заказать звонок
    +7 (846) 24-99-111
    +7 (937) 990-90-48
    +7 (846) 97-97-924Факс
    +7 (937) 990-90-48Факс
    Интернет-магазин
    0
    Телефоны
    +7 (846) 24-99-111
    +7 (937) 990-90-48
    +7 (846) 97-97-924Факс
    +7 (937) 990-90-48Факс
    Заказать звонок
    • Самара
      • Назад
      • Города
      • Воронеж
      • Самара
      • Уфа
      • Ростов-на-Дону
    • Каталог оборудования
      • Назад
      • Каталог оборудования
      • Зерноочистительное оборудование
        • Назад
        • Зерноочистительное оборудование
        • Машины предварительной очистки зерна
        • Первичная очистка семян
        • Вторичная очистка семян
      • Аэраторы зерна
      • Зернометательная техника
        • Назад
        • Зернометательная техника
        • Зернометатель 100т/ч с редуктором
        • Зернометатель 100т/ч с мотор-редуктором
        • Зернометатель 150т/ч с редуктором
        • Зернометатель 150т/ч с мотор-редуктором
        • Зернометатель 200т/ч с мотор-редуктором
        • Ковшово Шнековый Погрузчик Р6-КШП-6
      • Техника для защиты семян / Протравливатели
      • Транспортеры и зернопровода
        • Назад
        • Транспортеры и зернопровода
        • Транспортер зерна шнековый
        • Транспортер скребковый
        • Самотечное оборудование
          • Назад
          • Самотечное оборудование
          • Зернопровод самотечный
          • Зернопровод самотечный с футеровкой из полиуретана
          • Сектор зернопровода
          • Перекидной клапан
          • Переходные патрубки
          • Задвижка реечная
          • Ввод
          • Циклоны (центробежные пылеотделители)
        • Гаситель скорости потока зерна
        • Загрузчики (зернопогрузочное оборудование)
        • Конвейерные ролики
      • Передвижной загрузчик биг-бэгов ПЗ-100
      • Загрузчик ЗСН-25
      • Решета и сита
        • Назад
        • Решета и сита
        • Решета БИС-100
        • Решета БЛС-150
        • Решета БЦС-50
        • Решета ЗВС-20
        • Решета ОВС-25/СМ-4
        • Решета Петкус К527\547
        • Решета Петкус К531
      • Запчасти для сельхозтехники
        • Назад
        • Запчасти для сельхозтехники
        • Запасные части ОВС-25
        • Запасные части ЗВС-20
        • Запасные части на Зернометатели
          • Назад
          • Запасные части на Зернометатели
          • Запасные части к зернометателям ЗПС-100 и ЗМ-60
          • Запасные части на зернопогрузчик ПЗС-80, ПЗС-100, ПЗС-150
          • Запасные части МЗС-90
          • Запасные части ПЗМ-80
          • Запасные части на Зернометатель А-100, А-150, А-200
        • Запасные части МПО-50, МПО-100, СПО-100, Alfa
        • Запасные части на Зерновые нории
          • Назад
          • Запасные части на Зерновые нории
          • Запасные части на Норию НПЗ-10
          • Запасные части на Норию НПЗ-20
          • Запасные части на Норию НПЗ-50
          • Запасные части на Норию НПЗ-100
          • Конвейерные ленты БКНЛ-65
        • Запасные части на МС-4,5
        • Запасные части для БИС-100 и БЛС-150
        • Запасные части на Петкус
          • Назад
          • Запасные части на Петкус
          • Запасные части на Петкус К527/547
          • Запасные части на Петкус К531/218
        • Запасные части БЦС-50
        • Запасные части на дробилку КДУ-2
        • Запасные части на ЗСК-70\МЗК-70
        • Запасные части на МВР-6
        • Запасные части на МЗС-25
        • Запасные части на Сепаратор МУЗ-16
        • Запчасти для погрузчика зерна ПЗН-250
        • Запасные части для протравителя ПС-10
        • Норийные болты
        • Запасные части для протравителя ПС-20
          • Назад
          • Запасные части для протравителя ПС-20
          • Запасные части на протравитель ПС-20 Маэстро Татагрохимсервис
          • Запасные части на протравитель ПС-20КП Ремком
          • Протравитель семян ПС-20К-4 Агристо
        • Запасные части на Протравливатель семян ПСК-15
        • Запасные части на КШП-6
        • Запасные части на СВУ-60
      • Нории зерновые
        • Назад
        • Нории зерновые
        • Зерновая Нория 25 т/ч
          • Назад
          • Зерновая Нория 25 т/ч
          • Окрашенная
          • Оцинкованная
        • Зерновая Нория 50т/ч
          • Назад
          • Зерновая Нория 50т/ч
          • Окрашенная
          • Оцинкованная
        • Зерновая Нория 100т/ч
          • Назад
          • Зерновая Нория 100т/ч
          • Окрашенная
          • Оцинкованная
        • Зерновая Нория 175т/ч
          • Назад
          • Зерновая Нория 175т/ч
          • Окрашенная
          • Оцинкованная
      • Металлоконструкции ЗАВ
        • Назад
        • Металлоконструкции ЗАВ
        • ЗАВ с МПО-100, ВРМ-70
        • ЗАВ с ВРМ-70
        • ЗАВ с МПО, ВРМ-70 и Т-12
        • ЗАВ с МПО, ЗВС-20М и Т-12
      • Грануляторы для комбикорма
      • Ковши норийные
        • Назад
        • Ковши норийные
        • Металлические ковши УКЗ
        • Полимерные ковши
      • Ленты Нории
    • Компания Агромаш
      • Назад
      • Компания Агромаш
      • О компании
      • Отзывы
      • Реквизиты
      • Гарантии
        • Назад
        • Гарантии
        • О компании
        • Отзывы
        • Реквизиты
        • Гарантии
      • Новости
      • Статьи
    • Доставка
    • Документация
    • Контакты
    • Главная
    • Сельскохозяйственная техника
    • Запчасти для сельхозтехники
    • Запасные части на МС-4,5 в Самаре
    • Шкив СММ 03.108 (ф=188 ф=30 в(б))

    Шкив СММ 03.108 (ф=188 ф=30 в(б))

    Поделиться
    • Шкив СММ 03.108 (ф=188 ф=30 в(б)): купить в Самаре
    В наличии
    В корзину В корзине
    Заказать
    Остаются вопросы? Пишите
    MAX
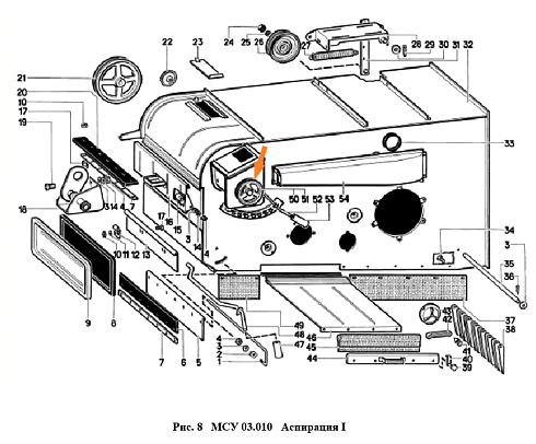
    В компании "Агромаш" в Воронеже всегда в наличии запасные части для самопередвижной зерноочистительной машины, используемой для вторичной очистки семян МС-4,5 с номинальной производительностью до 4,5 тонн/час.
    Зерноочистительные машины МС-4,5 применяются в разных по климату регионах для вторичной очистки бобовых, культурных зерновых, технических зерновых, а также семян трав и масленичных культур.
    В компании "Агромаш" в наличии Шкив СММ 03.108 (ф=188 ф=30 в(б)).
    Приобретая в компании "Агромаш" в Воронеже запасные части для машин МС-4,5, вы получаете качественные сертифицированные детали, доступные цены, профессиональный подбор от специалистов "Агромаш". Возможна доставка в регионы.

    Чтобы сделать заказ, используйте стандартную форму заявки внизу страницы, отправьте письмо на электронную почту agromash36@yandex.ru

    Поделиться
    Назад к списку
    • Зерноочистительное оборудование
    • Аэраторы зерна
    • Зернометательная техника
    • Техника для защиты семян / Протравливатели
    • Транспортеры и зернопровода
    • Передвижной загрузчик биг-бэгов ПЗ-100
    • Загрузчик ЗСН-25
    • Решета и сита
    • Запчасти для сельхозтехники
      • Запасные части ОВС-25
      • Запасные части ЗВС-20
      • Запасные части на Зернометатели
      • Запасные части МПО-50, МПО-100, СПО-100, Alfa
      • Запасные части на Зерновые нории
      • Запасные части на МС-4,5
      • Запасные части для БИС-100 и БЛС-150
      • Запасные части на Петкус
      • Запасные части БЦС-50
      • Запасные части на дробилку КДУ-2
      • Запасные части на ЗСК-70\МЗК-70
      • Запасные части на МВР-6
      • Запасные части на МЗС-25
      • Запасные части на Сепаратор МУЗ-16
      • Запчасти для погрузчика зерна ПЗН-250
      • Запасные части для протравителя ПС-10
      • Норийные болты
      • Запасные части для протравителя ПС-20
      • Запасные части на Протравливатель семян ПСК-15
      • Запасные части на КШП-6
      • Запасные части на СВУ-60
    • Нории зерновые
    • Металлоконструкции ЗАВ
    • Грануляторы для комбикорма
    • Ковши норийные
    • Ленты Нории
    Наши специалисты ответят на любой интересующий вопрос по товару
    Заказать
    Комплексное решение
    Комплексное решение Широкий ассортимент
    товаров и низкие цены
    Представительства по России
    Представительства по России
    Комплексное решение
    Комплексное решение Широкий ассортимент
    товаров и низкие цены
    Представительства по России
    Представительства по России
    Цель нашей компании —
    предложение широкого ассортимента товаров и услуг на постоянно высоком качестве обслуживания.
    Компания
    О компании
    Отзывы
    Реквизиты
    Гарантии
    Новости
    Статьи
    Каталог
    Зерноочистительное оборудование
    Аэраторы зерна
    Зернометательная техника
    Техника для защиты семян / Протравливатели
    Транспортеры и зернопровода
    Передвижной загрузчик биг-бэгов ПЗ-100
    Загрузчик ЗСН-25
    Решета и сита
    Запчасти для сельхозтехники
    Нории зерновые
    Металлоконструкции ЗАВ
    Грануляторы для комбикорма
    Ковши норийные
    Ленты Нории
    Наши контакты

    +7 (846) 24-99-111
    +7 (937) 990-90-48
    +7 (846) 97-97-924Факс
    +7 (937) 990-90-48Факс
    Пн-Пт: с 8.00 до 17.00; Сб, Вс: выходной
    Самара, ул. Товарная, д.5; склад 34 (бывший Самара Обл. Снаб.)
    agromash63@mail.ru
    © 2026 Все права защищены.
    Карта сайта
    ИНН: 366 215 18 57
    ОГРН: 9911001123456
    Товар добавлен в корзину
    Продолжить В корзину
    0