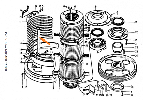
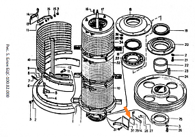
Запасные части БЦС-50 в Самаре
Представительства по России
Представительства по России
Цель нашей компании —
предложение широкого ассортимента товаров и услуг на постоянно высоком качестве обслуживания.
предложение широкого ассортимента товаров и услуг на постоянно высоком качестве обслуживания.
